Предлагаемый предварительный усилитель представляет собой так называемый комбинированный УНЧ, то есть усилитель, в котором наряду с электровакуумными применяются и полупроводниковые приборы. Данная конструкция выполнена на двух лампах типа ЕСС83, а в оконечном каскаде используется полевой транзистор J-FET.
В основу схемы этого комбинированного предварительного усилителя положены проверенные схемотехнические решения, которые используют практически все разработчики ламповой низкочастотной техники на протяжении десятков лет. Принципиальная схема предварительного усилителя приведена на рис. 11.

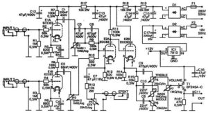
Рис. 11. Принципиальная схема предварительного усилителя на двух лампах ЕСС83
Предварительный усилитель имеет два входа (INPUT 1 и INPUT 2), каждый из которых предназначен, прежде всего, для подключения электрогитары и других инструментов. Однако эти же входы можно использовать и для подключения других источников сигнала, например микрофона. Оба входа могут использоваться одновременно, при этом коррекция тембра также будет общей для сигналов в обоих каналах.
Для упрощения конструкции из схемы усилителя исключены резисторные делители, обычно подключаемые к контактам разъемов типа jack. Естественно, при желании данные делители можно установить, однако это не является необходимым.
Низкочастотные сигналы, поступающие на контакты входных разъемов, через резисторы R2 и R4 подаются на сетки триодов Е1А и Е1В первой лампы типа ЕСС83, которая является двойным триодом. Частотная компенсация влияния интегрирующего элемента, образованного последовательно включенным резистором и входной емкостью триода лампы, не является необходимой. Наоборот, этот RC элемент способствует подавлению высокочастотных помех вне акустического диапазона. Триоды лампы ЕСС83 включены по классической схеме усилителя. Различные значения величин катодных резисторов и конденсаторов обеспечивают сдвиг высоких частот у сигнала, подаваемого на верхний вход.
С анодов триодов Е1А и Е1В через нагрузочное конденсаторы с различными емкостями (С1 = 22 nF, а С2 = 68 nF) сигналы проходят на потенциометры Р1 и Р2 (GAIN 1 и GAIN 2), которыми устанавливается уровень сигнала, поступающего на следующий усилительный каскад. При перемещении движков этих потенциометров к верхним по схеме выводам и использовании обычного гитарного звукоснимателя сигнал в последующих каскадах ограничен, что обеспечивает появление эффекта «sustain» тона гитары. В то же время речь не идет о каком-либо значительном ограничении, синусоида лишь заметно округляется. Через усилительные каскады, выполненные на триодах Е1А и Е1В (перед потенциометрами GAIN), входной сигнал напряжением 500 мВ проходит практически без заметных искажений.
Сигналы, проходящие с движков потенциометров, смешиваются на резисторах R9 и R10. Параллельно резистору R9 подключен конденсатор С6, который обеспечивает сдвиг на высших частотах, этот сдвиг зависит и от положения движка потенциометра второго входа. Помимо этого, между верхним выводом и движком потенциометра Р1 подключен конденсатор С5 с малой емкостью, который обеспечивает сдвиг высокочастотных составляющих у сигнала, поступающего с верхнего входа. В результате сигнал, проходящий по каналу усиления первого входа, более «богат» на высокочастотные составляющие, чем сигнал, проходящий через каскад усиления второго входа. При желании емкости конденсаторов можно изменить или вообще исключить схему компенсации и собрать каналы по одинаковой схеме. В результате оба канала будут работать одинаково, однако при этом произойдет естественное подавление высокочастотных составляющих сигналов, подаваемых на оба входа.
Смешанный сигнал из обоих каналов подается на следующий усилительный каскад, выполненный на второй лампе типа ЕСС83. На первом триоде Е2А этой лампы собран обычный усилительный каскад, а на втором триоде Е2В — катодный повторитель. Такое включение в ламповых усилителях встречается довольно часто.
С катода триода Е2В сигнал поступает на пассивный трехдиапазонный блок регуляторов тембра, который выполнен по классической схеме. Потенциометром Р4 регулируются высокие частоты (TREBLE), потенциометром Р5 — низкие (BASS), а потенциометром Р6 — средние (MIDDLE). После блока регулировки тембра установлен регулятор громкости. Это потенциометр сопротивлением 2 MOm/LOG, практически не влияющий на работу цепей коррекции.
Согласование полного выходного сопротивления предварительного усилителя и подключаемого к его выходу оконечного усилителя обеспечивает каскад, выполненный на полевом J-FET транзисторе типа BF245B, включенном по схеме повторителя. Его питание осуществляется от источника напряжения 12 В. Усиление этого каскада даже при малом питающем напряжении 12 В вполне достаточно, поскольку он включен после регулятора громкости, а необходимое для возбуждения оконечного усилителя эффективное выходное напряжение составляет примерно 1,5 В. С выхода предварительного усилителя сигнал подается на вход оконечного транзисторного усилителя. С катода триода Е2А через потенциометр Р3, обозначенный на схеме как EFX, сигнал также подается на выход EFEKT для внешних блоков эффектов или для других целей.
Однако выход EFEKT может служить и в качестве линейного входа, поэтому перед потенциометром Р3 установлен разделительный резистор R13, который определяет комплексное сопротивление этого входа/выхода и согласование сигнала.
Составными частями рассматриваемого предварительного усилителя являются и схемы питания. Анодное напряжение для ламп формируется двухполупериодным выпрямителем из переменного напряжения, снимаемого с вторичной обмотки (280 В/30 мА) тороидального сетевого трансформатора с помощью диодного мостика D1 (1 А/400 В). Выпрямленное напряжение фильтруется цепочкой RC элементов, состоящей из резисторов R17-R19 и конденсаторов С12-С15 емкостью от 22 до 47 мкФ с номинальным напряжением 400 В. При сборке и работе с данным усилителем следует в целях безопасности особое внимание обращать на цепи с напряжением 400 В и на заряженные конденсаторы.
Постоянное напряжение накала формируется также двухполупериодным выпрямителем из переменного напряжения, снимаемого с вторичной обмотки (18 В/0,5 А) трансформатора, фильтруется конденсатором С17 емкостью 2000 мкФ и стабилизировано интегральным стабилизатором IC1 типа мА7812 (12 В/1 А). Нити накала в каждой лампе ЕСС83 включены параллельно, при этом один крайний вывод всегда заземлен. Напряжение 12 В используется и для питания согласующего каскада с J-FET транзистором Т1, а также для питания контрольного светодиода (на схеме не показан).
Выпрямитель и стабилизатор напряжения накала можно разместить на плате предварительного усилителя, обратив особое внимание на правильное заземление. Стабилизатор IC1 при входном напряжении около 24 В и потребляемом токе 300 мА необходимо разместить на радиаторе.
