Интересную электронную шарманку можно сделать, если применить автоматическое включение описанного выше электромузыкального инструмента «поющая линейка». Это можно сделать при помощи перфорированной программной ленты, но для этого прежде всего необходимо собрать электромеханическую часть шарманки.
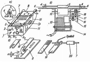
Сборка корпуса. Основание установки собирается в металлическом или деревянном корпусе 1 (рис. 25, а) размером 200х150х150 мм. Каркас корпуса можно сделать из металлических пятна дцатимиллиметровых уголков. В уголках каркаса нужно просверлить отверстия с резьбой под болтики, на которых будут закрепляться панели и стенки корпуса. Верхнюю панель 3 лучше всего сделать из одно-, двухмиллиметровой листовой латуни или меди, а лицевую панель 2 (она будет служить панелью управления) — из изоляционного материала: органического стекла (молочного цвета), текстолита, прессшпана или пластика.
В передней части верхней панели прорезается небольшое окно размером 30х70 мм для ведущего валика 5 лентопротяжного механизма. Еще одно окно 11 вырезается в боковой панели — стенке кожуха; оно будет необходимо для свободного доступа к шестерням, от которых зависит скорость передвижения ленты.
Сзади кожуха на болтиках укрепляются два кронштейна 10, они нужны для установки катушки 9 с рулоном перфорированной бумаги 8.
Общий вид собранной установки показан на рис. 25, а, там же показаны места установки основных деталей.

Рис. 25. Электронная шарманка
Лентопротяжный механизм. Основная часть лентопротяжного механизма — синхронный электрический двигатель 13 типа СД-60 (моторчик Уоррена). Такой электрический двигатель делает 60 оборотов в минуту.
Его работа основана на свойстве синхронного двигателя развивать строго постоянное число оборотов при постоянстве частоты питающего его электрического тока. Следует отметить, что даже существенное отклонение питающего напряжения от номинала (127±20 в и 220± 30–35 в) не влияет на работу данного двигателя. Так как отклонение по частоте в энергосистеме от величины 50 гц не допускается (такое отклонение может вызвать аварийное положение в энергосистемах), то работа лентопротяжного механизма стабильна. Электродвигатель двумя винтами закрепляется на П-образном кронштейне 14, изготовленном из трех-, четырехмиллиметровой металлической полоски, как показано на рис. 25, б.
На оси электродвигателя закрепляется первая передаточная шестерня 15. Вторая передаточная шестерня 16 устанавливается на отдельной оси, на конце которой закрепляется нижняя съемная шестерня 17. Выше электродвигателя находится ведущий валик 12.
Ведущий валик лучше всего сделать из толстого резинового жгута диаметром 25–35 мм или из металла, надев на него кусок резины от велосипедной камеры.
Отверстие в ведущем валике должно быть хорошо отцентрировано, иначе при протягивании бумаги возможны перекосы и заедания программной ленты. Валик фиксируется на оси при помощи двух гаек. На конце оси ведущего валика закрепляется верхняя сменная съемная шестерня 18.
От соотношения передаточного числа сменных шестерен зависит скорость протягивания ленты, поэтому, имея несколько пар таких шестерен, можно регулировать скорость движения ленты, а следовательно, и темпа музыки в широких пределах.
При установке кронштейна с ведущим валиком и электродвигателем обратите внимание на точность их расположения. Ведущий валик должен быть расположен строго перпендикулярно к направлению движения бумажной ленты 8.
При протягивании перфорированная бумага сверху удерживается прижимным валиком 5. Он сделан так же, как и ведущий валик, только меньшего диаметра. Диаметр прижимного валика 15–20 мм. Валик закрепляется на оси, а ось — в двух боковых угольниках 4 с овальными отверстиями. При заправке бумаги валик приподнимается вверх, а при протягивании прижимает программную ленту к ведущему валику благодаря двум пружинам 6, имеющимся на концах оси (см. рис. 25).
Контактное устройство. Это устройство состоит из восьми токосъемников 22. Токосъемники — небольшие латунные, колесики диаметром 5—10 мм— устанавливаются на металлических рычажках-пластинах 19. Один из концов рычажков делается в виде вилочки и закручивается, образуя два хомутика для осей колесиков. Вторые концы рычажков также закручиваются и укрепляются на одной общей оси 7. На свободное пространство между ними надеваются втулки-трубочки 20 (рис. 25, в).
Общую ось нужно сделать из прочного изоляционного материала — текстолита или эбонита, из этого же материала делаются и втулки-трубочки, изолирующие токосъемники друг от друга. Если при движении бумаги вес колесиков и рычажков окажется мал и они начнут вибрировать, то можно поставить дополнительные пружинки, прижимающие рычажки и колесики к панели.
Монтаж прибора. На лицевой панели укрепляются два тумблера Вк1 и Вк2, служащие для выключения электродвигателя и звукового генератора. Сигнальная лампочка Л1 свидетельствует о включении электродвигателя. Здесь же монтируются колодка переключателя сети, гнездо предохранителя Пр и резистора R2.
Звуковой генератор музыкального инструмента монтируется внутри корпуса 1 (рис. 23). Провода, идущие к металлическим нотам, теперь подводятся к токосъемникам, а провод, идущий к указке, подводится к верхней металлической панели корпуса.
Громкоговоритель укрепляется на деревянном экране, который устанавливается на лицевой или боковой панели корпуса. Для громкоговорителя вырезается круглое отверстие, которое затягивается декоративной материей.
Работа шарманки. Подготовка установки к работе сводится к регулировке лентопротяжного механизма и подготовке «музыкальных лент». Лента имеет восемь музыкальных дорожек по числу токосъемников. Если в ленте сделать отверстие на пути колесика, то оно через это отверстие будет касаться панели. Следовательно, будет замкнута цепь емкость — база транзистора Т1 (генератор работает). Подбирая очередность отверстий по дорожкам и их величину, можно «смоделировать» не только музыкальную мелодию, но и целое «музыкальное произведение», авторами которого мы предоставляем быть нашим читателям.
Собранную шарманку можно установить в корпус от старого радиоприемника или выполнить в виде старинной шарманки и применить ее для оформления праздничного карнавала..
Лентопротяжный механизм. Основная часть лентопротяжного механизма — синхронный электрический двигатель 13 типа СД-60 (моторчик Уоррена). Такой электрический двигатель делает 60 оборотов в минуту.
Его работа основана на свойстве синхронного двигателя развивать строго постоянное число оборотов при постоянстве частоты питающего его электрического тока. Следует отметить, что даже существенное отклонение питающего напряжения от номинала (127±20 в и 220± 30–35 в) не влияет на работу данного двигателя. Так как отклонение по частоте в энергосистеме от величины 50 гц не допускается (такое отклонение может вызвать аварийное положение в энергосистемах), то работа лентопротяжного механизма стабильна. Электродвигатель двумя винтами закрепляется на П-образном кронштейне 14, изготовленном из трех-, четырехмиллиметровой металлической полоски, как показано на рис. 25, б.
На оси электродвигателя закрепляется первая передаточная шестерня 15. Вторая передаточная шестерня 16 устанавливается на отдельной оси, на конце которой закрепляется нижняя съемная шестерня 17. Выше электродвигателя находится ведущий валик 12.
Ведущий валик лучше всего сделать из толстого резинового жгута диаметром 25–35 мм или из металла, надев на него кусок резины от велосипедной камеры.
Отверстие в ведущем валике должно быть хорошо отцентрировано, иначе при протягивании бумаги возможны перекосы и заедания программной ленты. Валик фиксируется на оси при помощи двух гаек. На конце оси ведущего валика закрепляется верхняя сменная съемная шестерня 18.
От соотношения передаточного числа сменных шестерен зависит скорость протягивания ленты, поэтому, имея несколько пар таких шестерен, можно регулировать скорость движения ленты, а следовательно, и темпа музыки в широких пределах.
При установке кронштейна с ведущим валиком и электродвигателем обратите внимание на точность их расположения. Ведущий валик должен быть расположен строго перпендикулярно к направлению движения бумажной ленты 8.
При протягивании перфорированная бумага сверху удерживается прижимным валиком 5. Он сделан так же, как и ведущий валик, только меньшего диаметра. Диаметр прижимного валика 15–20 мм. Валик закрепляется на оси, а ось — в двух боковых угольниках 4 с овальными отверстиями. При заправке бумаги валик приподнимается вверх, а при протягивании прижимает программную ленту к ведущему валику благодаря двум пружинам 6, имеющимся на концах оси (см. рис. 25).
Контактное устройство. Это устройство состоит из восьми токосъемников 22. Токосъемники — небольшие латунные, колесики диаметром 5—10 мм— устанавливаются на металлических рычажках-пластинах 19. Один из концов рычажков делается в виде вилочки и закручивается, образуя два хомутика для осей колесиков. Вторые концы рычажков также закручиваются и укрепляются на одной общей оси 7. На свободное пространство между ними надеваются втулки-трубочки 20 (рис. 25, в).
Общую ось нужно сделать из прочного изоляционного материала — текстолита или эбонита, из этого же материала делаются и втулки-трубочки, изолирующие токосъемники друг от друга. Если при движении бумаги вес колесиков и рычажков окажется мал и они начнут вибрировать, то можно поставить дополнительные пружинки, прижимающие рычажки и колесики к панели.
Монтаж прибора. На лицевой панели укрепляются два тумблера Вк1 и Вк2, служащие для выключения электродвигателя и звукового генератора. Сигнальная лампочка Л1 свидетельствует о включении электродвигателя. Здесь же монтируются колодка переключателя сети, гнездо предохранителя Пр и резистора R2.
Звуковой генератор музыкального инструмента монтируется внутри корпуса 1 (рис. 23). Провода, идущие к металлическим нотам, теперь подводятся к токосъемникам, а провод, идущий к указке, подводится к верхней металлической панели корпуса.
Громкоговоритель укрепляется на деревянном экране, который устанавливается на лицевой или боковой панели корпуса. Для громкоговорителя вырезается круглое отверстие, которое затягивается декоративной материей.
Работа шарманки. Подготовка установки к работе сводится к регулировке лентопротяжного механизма и подготовке «музыкальных лент». Лента имеет восемь музыкальных дорожек по числу токосъемников. Если в ленте сделать отверстие на пути колесика, то оно через это отверстие будет касаться панели. Следовательно, будет замкнута цепь емкость — база транзистора Т1 (генератор работает). Подбирая очередность отверстий по дорожкам и их величину, можно «смоделировать» не только музыкальную мелодию, но и целое «музыкальное произведение», авторами которого мы предоставляем быть нашим читателям.
Собранную шарманку можно установить в корпус от старого радиоприемника или выполнить в виде старинной шарманки и применить ее для оформления праздничного карнавала..
