В лаборатории каждого радиомастера необходим прибор для измерения величины сопротивления и емкости конденсатора. Это — мост для измерения емкости конденсаторов в пределах 10 пф — 10 мкф и величины сопротивлений резисторов 10 ом—10 Мом. Его собирают по схеме, показанной на рис. 5. Он может иметь очень малые размеры.

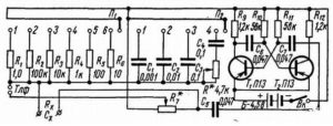
Рис. 5. Принципиальная схема моста для измерения R и С
Диапазон измеряемых величин сопротивлений резисторов разбит на шесть поддиапазонов, а диапазон измерения емкостей конденсаторов — на четыре поддиапазона. Для переключения поддиапазонов служат переключатели П1 и П2. Питание моста производится переменным напряжением звуковой частоты, получаемым от мультивибратора, собранного на транзисторах Т1 и Т2 (типа П13 — П15). При налаживании подбором резисторов R10, R11 и R9, R12 добиваются наибольшей амплитуды колебаний генератора. Изменяя емкость конденсаторов С6 и С7, настраивают генератор так, чтобы частота колебаний составила порядка 100 гц. При проведении измерений резистор или конденсатор подключается к клеммам Rx и Сх. Принцип измерения основан на балансировке моста изменением соотношения его плеч. Таким образом, измеряемый элемент (R или С) находится в ветви моста, образованного реохордой моста — потенциометром R7 и одним из резисторов или конденсаторов поддиапазона.
Чувствительным элементом моста служат высокоомные телефоны Тлф, включенные в диагональ моста. Мост балансируется проволочным потенциометром R7 по минимуму слышимости в телефонах.
Питание прибора осуществляется от батарейки для карманного фонарика (КБС-Л-0,5) или батареи малогабаритных аккумуляторов.
Мостовая схема, мультивибратор и батарея размещаются в небольшом металлическом или пластмассовом (от карманного приемника) корпусе. На верхней панели устанавливаются две клеммы для присоединения измеряемых резисторов и конденсаторов и три регулируемых элемента: потенциометр R7 и переключатели П1 и П2. Если при подборе деталей у вас найдется переключатель на 11–12 положений, то оба переключателя П1 и П2 можно заменить одним — общим. Гнезда Тлф для высокоомных телефонов и выключатель можно смонтировать или на верхней, или на боковой панели корпуса.
На шкале переключателя П1 наносятся следующие обозначения: в положении переключателя П1 нуль — «0», в положении 1— R х 1 Мом, в положении 2 — R х 100 ком, в положении 3 — R x 10 ком и т. д. Подобным образом с прибавлением символа Сх наносятся надписи и на шкале переключателя П2.
Шкала потенциометра градуируется в относительных числах по эталонным сопротивлениям и конденсаторам, которые и умножаются на показатель поддиапазона R или С. Если величины сопротивлений резисторов R1 — R6 и емкостей С1 — С4 подобраны достаточно точно, то соотношение на соседних поддиапазонах равно и градуировку прибора достаточно произвести только на одном каком-либо из поддиапазонов. Величина сопротивления R8* подбирается при проверке градуировки прибора на шкале 1—10 мкф.
